Обзор материнской платы MSI MAG B850 Tomahawk WiFi на чипсете AMD B850

1775023200

Общая информация, комплектация

Что мы не обсуждаем в разделе материнских плат

Вопросы производительности процессоров в той или иной матплате не касаются данного раздела, ибо исследование процессоров — в своем разделе. Что касается разгонов (оверклокинга) процессоров, то: во-первых, это опять же не задача обзоров материнских плат, во-вторых, степень разгона зависит от конкретного экземпляра процессора, в том числе и разгона оперативной памяти, так как контроллеры памяти – в процессорах и также зависят от конкретного экземпляра; в-третьих, на оверклокинг сильно может влиять та или иная версия BIOS, и не факт, что последняя версия – самая лучшая для темы по разгону. Поэтому просим учесть эти моменты. Если какой-либо производитель внес новую функцию, улучшающую (по его словам) оверклокинг, то мы так и донесем о наличии таковой. Проверять не будем по выше указанным причинам. Тема разгона – это огромный и сложный вопрос, и для него нужен чуть ли не отдельный автор, так как можно неделями подбирать нужные опции и установки из сотен в BIOS, включая аппаратные возможности той или иной матплаты.

В этом разделе мы изучаем устройство той или иной материнской платы, системы питания, наборы периферийных устройств (портов, слотов, разъемов, перемычек, кнопок и т.п.).

Общее по платформе

Таблица основных отличий чипсетов последних поколений для платформы AM5.

Особенности B650/B650E B850 X870 X670/X670E X870E
Совместимость с процессорами AMD Ryzen 7xxx/8xxx/9xxx
Версия PCIe (процессор) 4.0 & 5.0/5.0 4.0 & 5.0 5.0 4.0 & 5.0/5.0 5.0
Количество линий PCIe (процессор) 28
Количество линий PCIe от процессора на связь с чипсетом x4 PCIe 4.0
Версия PCIe (чипсет) 3.0 & 4.0
Количество линий PCIe (чипсет) 12 (8 x 4.0 & 4 x 3.0) 12 (8 x 4.0 & 4 x 3.0) 12 (8 x 4.0 & 4 x 3.0)* 20 (12 x 4.0 & 8 x 3.0) 20 (12 x 4.0 & 8 x 3.0)*
Поколение ОЗУ DDR5
Количество каналов ОЗУ 2
Максимальное количество слотов ОЗУ 4
Максимальный объем ОЗУ 256 ГБ
Количество портов SATA 6.0 Gb/s до 4 4 4 8 8
Порты USB4 (40Gbps) до необязательно, по желанию производителя через сторонний контроллер необязательно, по желанию производителя через сторонний контроллер 2 (обязательно) через сторонний контроллер с выделением для него 4х линий PCIe необязательно, по желанию производителя через сторонний контроллер 2 (обязательно) через сторонний контроллер с выделением для него 4х линий PCIe
Порты USB 3.2 Gen 2x2 (20Gbps) до 1 1 1 2 2
Порты USB 3.2 Gen 2x1 (10Gbps) / Gen 1x1 (5Gbps) до 6 6 6 8 8
Порты USB 2.0 до 6 6 6 12 12
Конфигурация слота PCIe x16 (от процессора) только x16/x16 или x8+x8 или x8+x4+x4 x16 или x8+x8 или x8+x4+x4 x16 или x8+x8 или x8+x4+x4 только x16/x16 или x8+x8 или x8+x4+x4 x16 или x8+x8 или x8+x4+x4
Возможность разгона по частоте шины Да

Примечание: * – 4 линии PCIe 4.0 могут быть зарезервированы для контроллера USB4 как у чипсета, так и у CPU.

Стоит напомнить, что чипсет B850 физически представляет собой все тот же чип Promontory 21, лежащий в основе чипсетов X670/B650/X870. То есть AMD B850 – это по сути B650 (от процессора на слоты и порты могут идти линии PCIe как версии 5.0, так и 4.0 – на выбор производителя), нет обязательной поддержки USB4, но при этом имеется опция разделения 16 линий для видеокарты на x8+x8 – что являлось прерогативой B650E).

Комплектация

Объект сегодняшнего исследования: материнская плата MSI MAG B850 Tomahawk WiFi.

Продукт принадлежит относительно игровой серии MAG, поэтому данная плата имеет стоимость в пределах 22 – 26 тысяч рублей. Напомню, что у MSI вся игровая линейка MAG/MPG/MEG материнских плат маркетологами поставлена выше остальных (прежде всего по стоимости), поэтому продукты из серии MAG подчас могут быть дороже, чем их аналоги из иных серий.

MSI MAG B850 Tomahawk WiFi поставляется в коробке стандартного дизайна серии MAG. Комплект размещен под платой в отдельном отсеке.

В комплект поставки входят:

  • краткое руководство пользователя (детальное можно скачать с сайта производителя),
  • один кабель SATA,
  • адаптер-удлинитель EZ Conn V1 для подключения вентиляторов MSI к проприетарному гнезду JAF_1,
  • адаптер EZ Front Panel Cable для удобного подключения кабелей от корпуса к матплате,
  • ключ для смены стоек в слотах M.2,
  • запасные стойки,
  • антенна встроенного Wi-Fi-модуля;
  • бонусные стикеры.
Ключ для смены стоек в слотах M.2 (детали – ниже)

ПО не поставляется, однако по-любому последние версии надо скачивать с вебсайта производителя.

«Заглушка» на заднюю панель с разъемами уже смонтирована на самой плате.

Форм-фактор

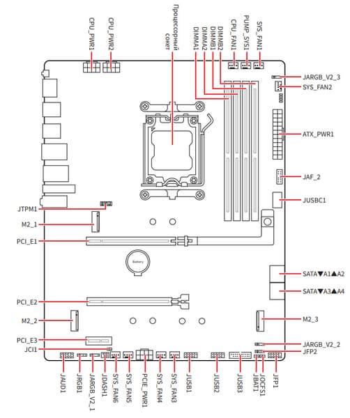
Форм-фактор ATX имеет размеры до 305×244 мм, а E-ATX — до 305×330 мм. Материнская плата MSI MAG B850 Tomahawk WiFi имеет размеры 305×244 мм, поэтому выполнена в форм-факторе ATX, и на ней имеются 9 монтажных отверстий для установки в корпус.

На оборотной стороне расположены некоторые электронные логические элементы. Текстолит обработан неплохо: во всех точках пайки срезаны острые концы.

Защитной пластины (бэкплейта) у платы нет.

На тыльной стороне платы имеются маркировки в местах потенциального нахождения стоек в корпусе для крепления матплат в местах, где у данной платы нет крепежных отверстий.

Технические характеристики

Традиционная таблица с перечнем функциональных особенностей.

Поддерживаемые процессоры Процессорный разъем Чипсет Память Аудиоподсистема Сетевые контроллеры Слоты расширения Разъемы для накопителей USB-порты Разъемы на задней панели Прочие внутренние элементы Форм-фактор Стоимость
AMD Ryzen 7xxx/8xxx/9xxx
AM5
AMD B850
4 × DDR5, до 8200 МТ/с (XMP/Expo), до 256 ГБ, два канала
1 × Realtek ALC4080 (7.1)
1 × Realtek RTL8126 Ethernet 5 Гбит/с
1 × MediaTek Dual Band Wireless MT7925 (Wi-Fi7 802.11a/b/g/n/ac/ax/be (2,4/5/6 ГГц) + Bluetooth 5.4)
1 × PCIe 5.0 x16 (PCI_E1, режим x16/X8+X8/X4+X4+X4+X4)
1 × PCIe 4.0 x16 (PCI_E2, режим x4)
1 × PCIe 3.0 x1 PCI_E3, (режим x1)
4 × SATA 6 Гбит/с (ASM1064)
1 × M.2 (M.2_1, CPU, PCIe 5.0 x4 для устройств формата 2280/2260)
1 × M.2 (M.2_2, CPU, PCIe 5.0 x4 для устройств формата 22110/2280/2260)
1 × M.2 (M.2_3, B850, PCIe 4.0 x4 для устройств формата 2280/2260)
8 × USB 2.0: 2 внутренних разъема на 4 порта (GL850) + 4 порта Type-A (черные) (GL850G)
4 × USB 3.2 Gen1: 1 внутренний разъема на 2 порта (B850) + 2 порт Type-A (синие) (CPU)
4 × USB 3.2 Gen2: 2 порта Type-A (красные) (B850+CPU) + 1 порт Type-C (CPU) + 1 внутренний разъем Type-C (B850)
1 × USB 3.2 Gen2x2: 1 порт Type-C (B850)
4 × USB 2.0 (Type-A)
1 × USB 3.2 Gen2x2 (Type-C)
1 × USB 3.2 Gen2 (Type-C)
2 × USB 3.2 Gen2 (Type-A)
2 × USB 3.2 Gen1 (Type-A)
1 × RJ-45
2 аудиоразъема типа миниджек
1 оптический аудиоразъем S/PDIF
1 × HDMI (выход)
1 кнопка сброса CMOS
1 кнопка обновления прошивки BIOS - Flash BIOS
2 антенных разъема
24-контактный разъем питания ATX
2 8-контактных разъема питания EPS12V
1 8-контактный разъем питания PCIe
1 слот M.2 (E-key), занят адаптером беспроводных сетей
1 разъем для подключения порта USB 3.2 Gen2 Type-C
1 разъем для подключения 2 портов USB 3.2 Gen1
2 разъема для подключения 4 портов USB 2.0
8 разъемов для подключения 4-контактных вентиляторов и помп ЖСО
3 разъема для подключения адресуемой ARGB-ленты
1 разъем для подключения неадресуемой RGB-ленты
1 разъем аудио для передней панели корпуса
1 переключатель сброса CMOS
1 разъем JOC_FS1 для включения безопасной загрузки с настройками по умолчанию
2 разъема JBLK для настроек частоты работы базовой шины
1 разъем для подключения систем безопасности TPM
1 разъем для подключения контроллера настройки (приобретается отдельно)
2 разъема для подключения управления с передней панели корпуса
1 разъем JAF_2 для подключение проприетарных систем охлаждения от MSI
ATX (305×244 мм)
23-25 тысяч рублей на момент публикации обзора

Основная функциональность: чипсет, процессор, память

Схема работы связки чипсет+процессор.

Все процессоры Ryzen 7000/8000/9000 поддерживают:

  • 3 порта USB 3,2 Gen2 Type-C,
  • 1 порт USB 3,2 Gen2 Type-A,
  • 1 порт USB 2.0,

Только Ryzen 7000/9000 поддерживают:

  • 28 линий ввода-вывода (включая PCI-E 5.0, в случае работы с A620 пониженные до версии 4.0):
    • 4 линии из них (в случае чипсета A620 пониженные до версии 3.0) идут на взаимодействие с чипсетом,
    • 16 линий — это PCI-E 4.0 слот для видеокарт,
    • Осталось 8 линий PCIe 4.0:
      • 4 линии — это слот M.2,
      • остальные 4 могут конфигурироваться производителями материнских плат на выбор.

Только Ryzen 8700/8600 поддерживают:

  • 20 линий ввода-вывода (PCIe версии 4.0):
    • 4 линии из них (в случае чипсета A620 пониженные до версии 3.0) идут на взаимодействие с чипсетом,
    • 8 линий — это PCI-E 4.0 слот для видеокарт,
    • Осталось 8 линий PCIe 4.0:
      • 4 линии — это слот M.2,
      • остальные 4 могут конфигурироваться производителями материнских плат на выбор.

Только Ryzen 8500/8300 поддерживают:

  • 14 линий ввода-вывода (PCIe версии 4.0):
    • 4 линии из них (в случае чипсета A620 пониженные до версии 3.0) идут на взаимодействие с чипсетом,
    • 4 линии — это PCI-E 4.0 слот для видеокарт,
    • Осталось 6 линий PCIe 4.0:
      • 4 линии — это слот M.2,
      • остальные 2 могут конфигурироваться производителями материнских плат на выбор.

В свою очередь чипсет B850 поддерживает до:

  • 6 портов USB 3.2 Gen2,
  • 1 порт USB 3.2 Gen2x2,
  • 6 портов USB 2.0,
  • 12 линий ввода-вывода:
    • распределение линий: 8 PCIe 4.0 + 4 PCIe 3.0;
    • линии PCIe 3.0 могут включать до 4 портов SATA .

Таким образом в сумме от тандема B850+Ryzen 7000/9000 мы получаем:

  • 16 PCI-E 4.0/5.0 линий для видеокарт (от процессора);
  • 1 порт USB 3.2 Gen2x2 (от чипсета);
  • 10 портов USB 3.2 Gen2 (4 от процессора, 6 от чипсета);
  • 7 портов USB 2.0 (1 от процессора, 6 от чипсета);
  • 4 порта SATA 6Гбит/с (от чипсета, входят в состав линий PCIe 3.0)
  • 4 линии PCIe 5.0 (от процессора) на слот М.2;
  • 12 линий PCI-E 4.0 ( от чипсета и процессора), которые могут образовывать разные варианты комбинаций портов и слотов;
  • 4 линии PCI-E 3.0 ( от чипсета), которые могут образовывать разные варианты комбинаций портов и слотов (в зависимости от производителя материнских плат).

Итого: до 18 портов USB, 20 свободных PCI-E линий (включая до 4 портов SATA).

    Напомню, что чипсет B850 имеет тот же набор портов и линий PCIe, что и B650, плюс возможность разделения 16 PCIe 5.0 линий от процессора на 8 + 8 (4 + 4 + 4 + 4).

    Плата MSI поддерживает процессоры AMD поколений 7xxx/8xxx/9xxx, выполненные под разъем (сокет) AM5.

    Для установки модулей памяти на плате имеется четыре DIMM-слота (для работы памяти в Dual Channel в случае использования всего 2 модулей их следует устанавливать в А2 и B2).

    Поколения Ryzen 7xxx/8xxx/9xxx поддерживают как модули памяти DDR5 c Intel XMP (Extreme Memory Profile), так и модули с проприетарным от AMD профилем Expo. Плата поддерживает небуферизованную память DDR5, а максимальный объем памяти составляет 256 ГБ. Поддерживаются профили XMP и Expo.

    Слоты DIMM не имеют металлической окантовки.

    Периферийная функциональность: PCIe, SATA, дополнительные порты и разъемы

    Выше мы изучили потенциальные возможности тандема B850+Ryzen, а теперь посмотрим, что из этого и как реализовано в данной материнской плате.

    Линии PCIe

    Вначале изучим распределение линий PCIe.

    • Слот PCIe x16_2 (PCI_E2) (4 линии PCIe 4.0);
    • Слот PCIe x16_3 (PCI_E3) (1 линия PCIe 3.0);
    • Слот M.2_3 (4 линии PCIe 4.0);
    • Realtek RTL8126 (Ethernet 5Gb/s) (1 линия PCIe 3.0);
    • MediaTek MT7925 WIFI7/BT (Wireless) (1 линия PCIe 3.0);
    • ASMedia ASM1064 (хаб 4х портов SATA) (1 линия PCIe 3.0);

    12 линий PCIe (8 PCIe 4.0 + 4 PCIe 3.0) оказались занятыми, плюс 4 порта SATA (от стороннего контроллера). 1 линия USB 2.0 расходуется на связь с Realtek ALC4080, плюс линии USB 2.0 расходуются на поддержку BT и другие контроллеры. Детально об этом ниже в разделе USB-портов.

    4 слота SATA 1/2/3/4 обслуживает хаб ASMedia ASM1064 (получающий от B850 1 линию PCIe 3.0).

    Теперь посмотрим выше на то, как работают процессоры в данной конфигурации. У всех Ryzen 7xxx/9xxx — 24 линии PCIe (плюс 4 линии на даунлинк с чипсетом). Смотрим распределение:

    • Порт M.2 (M.2_1) (4 линии PCIe 5.0);
    • Слот PCIe x16_1 (PCI_E1) (16 линий PCIe 5.0);
    • Порт M.2 ( M.2_2) (4 линии PCIe 5.0)

    В процессорах Ryzen встроен контроллер High Definition Audio (HDA), связь с аудиокодеками выпусков до RTL 4xxx идет путем эмуляции PCI шины, а вот начиная с RTL4xxx, требуются уже линии USB 2.0 (как и в нашем случае).

    В целом про слоты PCIe и M.2.

    Всего на плате есть 3 слота: слот PCIe x16_1 (PCI_E1 для видеокарт или других устройств), «длинный» слот PCIe x16_2 (PCI_E2, но фактически имеющий 4 линии PCIe 4.0) и PCIe x1 (PCI_E3, имеющий 1 линию PCIe 3.0).

    Как видим, перераспределений линий PCIe на этой материнке нет, поэтому и мультиплексоров нет.

    Слот PCI_E1 имеет металлическое армирование: защиту из нержавеющей стали. Все это увеличивает надежность. Кроме того, такая защита предохраняет слот от электромагнитных помех.

    Для удобного извлечения видеокарт из слота PCI_E1 имеется особый механизм EZ-PCIE-Release c кнопкой.

    Матплата позволяет смонтировать СО любого размера.

    Также плата оснащена усилителем (ре-драйвером) шины PCIe 5.0.

    Некоей «изюминкой» данной платы является наличие внешнего тактового генератора от Renesas. Через него с помощью соответствующих контактов на плате (см. ниже) можно управлять частотой базовой шины.

    Накопители

    Всего у платы 4 разъема Serial ATA 6 Гбит/с + 3 слота для накопителей в форм-факторе M.2.

    4 порта SATA 1,2,3,4 реализованы через хаб ASMedia ASM1064.

    Материнская плата имеет 3 гнезда форм-фактора М.2.

    Третий слот M.2 (M.2_3) получает данные от чипсета B850, а первые два — от CPU, при этом M.2_1/2 получают PCIe 5.0, а M.2_3 получает PCIe 4.0. Все слоты M.2 работают с модулями только с PCIe интерфейсом.

    Все слоты M.2 поддерживают модули с размерами 2260/2280. А слот M.2_2 поддерживает также 22110.

    Поскольку нет деления ресурсов между слотами M.2 и портами SATA, то и соответствующих мультиплексоров нет.

    У всех слотов M.2 имеется удобный способ крепления накопителей через установленные на стойках поворотные замки.

    Все M.2 слоты имеют радиаторы. M.2_1 обладает отдельным радиатором, когда как остальные два слота M.2 имеют общий радиатор. Охлаждение тыльной стороны модулей не предусмотрено.

    Также отдельно надо отметить, что все радиаторы удобно снимать и ставить с помощью откидывающихся запоров (без завинчивания/развинчивания).

    По умолчанию стойка для крепления накопителей в каждом слоте установлена на размер 2280.

    Если надо установить модуль с размером 2260 или 22110, то с помощью имеющегося в комплекте поставки ключа можно стойку переместить в нужное место.

    Другие особенности на плате

    Внутренних кнопок питания и перезагрузки нет, как и на задней панели портов нет универсальной кнопки Smart Button.

    У платы имеются:

    • Для полного сброса настроек BIOS – кнопка на задней панели, а также перемычка на самой плате.
    • Световые индикаторы, сообщающими о проблемах с тем или иным компонентом системы.

    Если после включения компьютера к моменту перехода на загрузку ОС все индикаторы погасли, то проблем нет.

    Традиционного табло POST-кодов (или EZ Debug LED) нет.

    • 3 разъема для подключения адресуемых (5 B 3 A, до 15 Вт) ARGB-лент/устройств, а также есть 1 разъем для неадресуемых (12 В 3 А, до 36 Вт) RGB-лент/устройств.

    Схемы подключения стандартны для всех материнских плат, поддерживающих подсветку:

    • Проприетарный разъем JAF_2 для подключения фирменных систем охлаждения MSI (вентиляторов, СЖО).

    Контроль по синхронизации работы подсветки на матплатах MSI возложен на контроллер NUC126 от Nuvoton.

    • Контакты для подключения внешних кнопок по управлению частотой базовой шины (через внешний тактовый генератор, о котором шла речь выше).
    • Специальный джампер JOC_FS1 для возможности старта ПК в случае чрезмерных настроек оверклокинга.
    • Набор контактов FPanel для подключения проводов к корпусу.

    В комплекте поставки имеется адаптер для удобного подключения проводов от корпуса.

    • Разъем JDASH для подключения контроллера настройки (внешнего дополнительного устройства, приобретаемого отдельно).
    • Технология «холодной» прошивки BIOS (наличие ОЗУ, процессора и прочей периферии необязательно, нужно лишь подключить питание) — Flash BIOS.

    Для такого обновления BIOS надо вначале переименовать файл прошивки в MSI.ROM, записать файл прошивки в корень на USB-«флешку», которая вставляется в особо отмеченный порт USB, и запустить через кнопку, которую надо держать 3 секунды.

    При этом будет запускаться система, при этом процессор останется холодным. На задней панели на кнопке Flash BIOS мы будем видеть мигающий индикатор процесса обновления BIOS, а также будет гореть один из светодиодов состояния системы. После окончания обновления система выключится. И если у вас перед этим не полностью собрана система (нет СО, нет модулей памяти и т.д.), то следует тут же отключить блок питания, ибо затем ПК снова автоматически запустится.

    За работу данной функции отвечает контроллер Fintek F75540-504AN.

    Сам BIOS размещен в микросхеме от Winbond.

    • Разъем TPM для устройств безопасности.

    Периферийная функциональность: USB-порты, сетевые интерфейсы, ввод-вывод

    USB-порты

    Большинство портов выведено на заднюю панель матплаты.

    Напомню, что чипсет B850 способен реализовать максимально: 6 портов USB 3.2 Gen2/1, 1 USB 3.2 Gen2x2, 6 портов USB 2.0. Процессор Ryzen 7000/8000/9000 способен реализовать до 4 портов USB 3.2 Gen2 и 1 USB 2.0.

    Чипсет также обладает 12ю линиями PCIe, которые идут на поддержку накопителей, сетевых и иных контроллеров (я выше уже показал на что и как расходуются все 12 линий).

    И что мы имеем? Всего на материнской плате — 17 портов USB:

    • Порт USB4 отсутствует;
    • 1 порт USB 3.2 Gen2x2 реализован через B850 и представлен на задней панели портом Type-C;
    • 4 порта USB 3.2 Gen2: 2 реализованы через CPU и представлены на задней панели портами Type-C и Type-A (красного цвета); еще 2 реализованы через B850 и один также представлен на задней панели портом Type-A (красного цвета), а второй представлен
      внутренним портом Type-C (для подключения к соответствующему разъему на передней панели корпуса);
    • 4 порта USB 3.2 Gen1: 2 реализованы через B850 и представлены
      внутренним разъемом на материнской плате на 2 порта; еще 2 реализованы через CPU и представлены на задней панели портами Type-A (синего цвета);
    • 8 портов USB 2.0/1.1: 4 реализованы через контроллер Genesys Logic GL850G
      (на него потрачена 1 линия USB 2.0 от B850) и представлены на задней панели портами Type-A (черного цвета); еще 4 реализованы через второй контроллер Genesys Logic GL850G
      (на него потрачена 1 линия USB 2.0 от B850) и представлены
      двумя внутренними разъемами на материнской плате (каждый на 2 порта);

    Итак, у нас 4 контроллера используют USB линии от B850:

    • Realtek RTL4080 (аудиокодек) (1 линия USB 2.0);
    • Bluetooth (беспроводной контроллер MT7927) (1 линия USB 2.0);
    • контроллер Genesys Logic GL850G (хаб 4 внутренних портов USB 2.0 ) (1 линия USB 2.0);
    • Nuvoton NUC126 (контроллер подсветки) (1 линия USB 2.0);

    И 1 контроллер использует USB линии от CPU:

    • контроллер Genesys Logic GL850G (хаб 4 портов USB 2.0 на задней панели) (1 линия USB 2.0);

    Таким образом, через чипсет B850 реализовано высокоскоростных портов USB:

    • + 1 выделенный USB 3.2 Gen2x2;
    • + 2 выделенный USB 3.2 Gen2;
    • + 2 выделенный USB 3.2 Gen1;

    = 5 высокоскоростных портов и 4 USB 2.0 порта (линии на поддержку контроллеров).

    Плюс 12 линий PCIe, выделенные на поддержку иной периферии. Итого, у B850 в данном случае реализовано 17 высокоскоростных портов.

    Все USB 3.2 Gen1/2 порты оснащены ре-драйверами.

    Сетевые интерфейсы

    Материнская плата оснащена средствами связи хорошо. Имеется скоростной Ethernet-контроллер Realtek RTL8126, способный работать по стандарту 5 Гбит/с.

    Имеется и комплексный беспроводной адаптер на контроллере MediaTek MT7925, через который реализованы Wi-Fi 7 (802.11a/b/g/n/ac/ax/be, 2,4/5/6 ГГц) и Bluetooth 5.4. Он установлен в слот M.2 (E-key), и его разъемы для выносных антенн выведены на заднюю панель.

    И тут надо особо отметить уже вовсю применяемый новый способ крепления антенн к задней панели портов. Теперь прикручивать антенны не надо (даже если имеется резьба для их привинчивания), просто вставить в разъемы на матплате. Разъединить также легко.

    Заглушка, традиционно надеваемая на заднюю панель, в данном случае уже надета, и изнутри экранирована для снижения электромагнитных помех.

    Гнезда для вентиляторов, ввод-вывод

    Разъемов для подключения вентиляторов и помп на самой плате — 8. Схема размещения коннекторов для систем охлаждения выглядит так:

    Через ПО или BIOS контролируется все гнезда для подключения воздушных вентиляторов или помп: они могут управляться как через ШИМ, так и банальным изменением напряжения/тока рассчитаны на максимальный ток 2А и потребление до 24 Вт, а гнездо для помп СЖО — до 3А и 36 Вт.

    Отвечает за мониторинг состояния платы, координирует работу всех гнезд СО (а также в целом Multi I/O) контроллер Nuvoton NCT6687.

    Матплата имеет гнездо вывода встроенной графики HDMI, для усиления до версии 2.1 используется особый ре-драйвер.

    Аудиоподсистема

    Плата оснащена звуковым кодеком Realtek ALC4080, обеспечивающим вывод звука по схемам до 7.1 с разрешением до 32 бит / 384 кГц.

    В аудиоцепях платы применяются «аудиофильские» конденсаторы.

    Аудиотракт вынесен на угловую часть платы, не пересекается с другими элементами. У платы на задней панели два универсальных разъема по приему и выводу сигналов плюс оптический S/PDIF.

    Вывод по схемам 4.0, 5.1 и 7.1 возможен только через использование аудиогнезд на передней панели корпуса совместно с гнездами на самой плате (ну еще и через S/PDIF).

    Настройка схем – с помощью ПО, скачиваемого с сайта производителя.

    Результаты тестирования звукового тракта в RMAA

    Для тестирования выходного звукового тракта, предназначенного для подключения наушников или внешней акустики, мы использовали внешнюю звуковую карту Creative E-MU 0202 USB в сочетании с утилитой RightMark Audio Analyzer 6.4.5. Тестирование проводилось для режима стерео, 24-бит/44,1 кГц. Во время тестирования ИБП тестового ПК физически отключался от электросети и работал на аккумуляторе.

    По результатам тестирования аудиотракт на плате получил оценку «Хорошо».

    Тестируемое устройство Режим работы Звуковой интерфейс Маршрут сигнала Версия RMAA Фильтр 20 Гц — 20 кГц Нормализация сигнала Изменение уровня Режим моно Частота сигнала калибрации, Гц Полярность
    MSI MAG B850 Tomahawk WiFi
    24-бит, 44 кГц
    MME
    выход на задней панели — вход Creative E-MU 0202 USB
    6.4.5
    да
    да
    -0,3 дБ /- 0,1 дБ
    нет
    1000
    правильная/правильная

    Общие результаты

    Неравномерность АЧХ (в диапазоне 40 Гц - 15 кГц), дБ +0.02, -0.08 Отлично
    Уровень шума, дБ (А) -76.0 Средне
    Динамические диапазон, дБ (А) 75.9 Средне
    Гармонические искажения, % 0.00939 Очень хорошо
    Гармонические искажения + шум, дБ(A) -56.0 Плохо
    Интермодуляционные искажения + шум, % 0.233 Средне
    Взаимопроникновение каналов, дБ -64.5 Средне
    Интермодуляции на 10 кГц, % 0.037 Хорошо
    Общая оценка Хорошо


    Частотная характеристика

    Левый Правый
    От 20 Гц до 20 кГц, дБ -0.65, +0.02 -0.48, +0.18
    От 40 Гц до 15 кГц, дБ -0.08, +0.02 +0.10, +0.18


    Уровень шума

    Левый Правый
    Мощность RMS, дБ -76.1 -76.1
    Мощность RMS, дБ (A) -76.0 -76.0
    Пиковый уровень, дБ -58.1 -58.1
    Смещение DC, % +0.0 +0.0


    Динамический диапазон

    Левый Правый
    Динамический диапазон, дБ +75.8 +75.7
    Динамический диапазон, дБ (А) +75.9 +75.8
    Смещение DC, % +0.00 -0.00


    Гармонические искажения + шум (-3 дБ)

    Левый Правый
    Гармонические искажения, % 0.00922 0.00955
    Гармонические искажения + шум , % 0.14410 0.14407
    Гармонические искажения + шум (A-взвеш.), % 0.15822 0.15820


    Интермодуляционные искажения

    Левый Правый
    Интермодуляционные искажения + шум, % 0.23300 0.23222
    Интермодуляционные искажения + шум (A-взвеш.), % 0.23239 0.23159


    Взаимопроникновение стереоканалов

    Левый Правый
    Проникновение на 100 Гц, дБ -64 -64
    Проникновение на 1000 Гц, дБ -63 -64
    Проникновение на 10000 Гц, дБ -67 -67


    Интермодуляционные искажения (переменная частота)

    Левый Правый
    Интермодуляционные искажения + шум на 5000 Гц, 0.03276 0.03279
    Интермодуляционные искажения + шум на 10000 Гц, 0.03451 0.03424
    Интермодуляционные искажения + шум на 15000 Гц, 0.04444 0.04419

    Питание, охлаждение

    Система питания

    Для питания платы на ней предусмотрены 4 разъема: в дополнение к 24-контактному ATX (он на правой стороне платы (на фото — слева) здесь есть еще два 8-контактных EPS12V, а также 8-контактный PCIe для поддержки усиленного питания слотов PCIe x16 (отмечен желтым цветом).

    Схема подключения возможна для двух видеокарт на процессорах Nvidia, а также до трех карт на процессорах AMD. Не забываем, что мультиграфические конфигурации нынче поддерживаются только рабочим специализированным ПО (современные игры уже это не поддерживают).

    Внешне схема питания выглядит как 14+2+1: 14 фаз — ядро процессора, 2 фазы — SoC (I/O-чиплет Ryzen), 1 фаза — VDD_MISC (вывод встроенной графики).

    Каждый канал фазы имеет суперферритовый дроссель и в случае с VCore+SoC транзисторную сборку MP87670 от Monolithic Power Systems (до 80A).

    Управляет этими наборами фаз VCore и SoC (14+2) ШИМ-контроллер MP2857 от того же производителя MPS.

    Фаза питания встроенной графики имеет транзисторную сборку AOZ5516QI от Alpha&Omega Semi (55A).

    Управляет этой фазой питания ШИМ-контроллер RT3672 от Richtek.

    Охлаждение

    Все потенциально сильно греющиеся элементы имеют свои собственные радиаторы.

    Охлаждение чипсета (один радиатор) организовано отдельно от силовых преобразователей. VRM-секция имеет свои два раздельных радиатора.

    Как я уже упоминал ранее, M.2 слоты также имеют радиаторы: у первого персональный радиатор, у остальных — общий.

    Напомню, что материнская плата не имеет бэкплейта.

    Подсветка

    Все о внешней красоте

    В данном случае сама матплата подсветки не имеет., но мы помним про 4 разъема для подключения внешней подсветки.

    Кому не нравится — всегда подсветку можно выключить через то же ПО.

    Управление подсветкой осуществляется с помощью утилиты Mystic Light, входящей в состав ПО MSI Center.

    Программное обеспечение под Windows

    Фирменное ПО MSI

    Все программное обеспечение можно скачать с сайта производителя MSI.com.

    Управление производится с помощью универсальной программы MSI Center.

    Имеется аналог программ GeForce Experience от Nvidia, а также настроек в драйверах от AMD, которые позволяют автоматически выставить в играх оптимальные для данной конфигурации ПК настройки. Верить или нет этому ИИ — каждый решает сам для себя.

    Можно настраивать работу платы не только частотам или вольтажам, но и регулировать работу вентиляторов. Следует особо отметить новую функциональность ПО — управление всеми вентиляторами с помощью ИИ, когда точками отсчета являются нагрев CPU и GPU (то есть нагрев видеокарты также учитывается), в расчет берутся показания через драйверы от Nvidia, AMD, Intel, а также собственного датчика на материнке возле видеокарты.

    Можно перейти на традиционный выбор настроек работы вентиляторов.

    Мониторинг состояния — обязательная закладка у всех современных утилит.

    А если не хотите самостоятельно решать и подбирать настройки и конфигурации работы процессора, памяти, СО, подсветки, то можно просто поручить искусственному интеллекту этим заниматься. -)

    Настройки BIOS

    Что нам дают тонкости настроек в BIOS

    Все современные платы сейчас имеют UEFI (Unified Extensible Firmware Interface), которые, по сути, являются операционными системами в миниатюре. Для входа в настройки при загрузке ПК традиционно надо нажать клавишу Del или F2.

    Попадаем в общее «простое» меню EZ Mode, где настроек мало, но мы видим вкладку Advanced так что переходим на нее (или нажимаем F7) и попадаем уже в «продвинутое» меню.

    Управление периферией. В принципе стандартные позиции, когда можно управлять каждым узлом, слотом или портом, менять режимы работы, включать и выключать.

    Следует особо обратить внимание в разделе на управление M.2 и слотами PCIe.

    Мониторинг и опции загрузочного меню — всем хорошо известны. Там же есть утилита по настройке работы гнезд для вентиляторов.

    Для разгона есть по сути уже стандартные опции в рамках того, что поддерживают процессоры и оперативная память DDR5.

    Опций более чем достаточно для серии MAG.

    Работоспособность

    Конфигурация тестовой системы

    Полная конфигурация тестовой системы:

    • материнская плата MSI MAG B850 Tomahawk WiFi;
    • процессор AMD Ryzen 9 9950X 4,3 — 5,7 ГГц;
    • оперативная память TeamGroup T-Force Delta RGB 32 ГБ (2×16) DDR5 5600 (CL36-46-46-84) (XMP 7600 МГц) ;
    • накопитель SSD TeamGroup MP44L NVMe PCIe 4.0 1 ТБ;
    • видеокарта встроенная в процессор;
    • блок питания Super Flower Leadex Platinum 2000W (2000 Вт);
    • СЖО G.Skill Royal Shield 36W;
    • корпус Cougar FV270;
    • телевизор LG 55Nano956 (55″ 8K HDR);
    • клавиатура Asus ROG Strix Scope и мышь Logitech.

    Программное обеспечение:

    • операционная система Windows 11 Pro, 64-битная
    • AIDA 64 Extreme
    • 3DMark Time Spy CPU benchmark
    • 3DMark Fire Strike Physics benchmark
    • 3DMark Night Raid CPU benchmark
    • HWInfo64
    • OCCT v.16.0.2

    Запускаем все в режиме по умолчанию. Затем нагружаем тестами от OCCT.

    Учитывая хорошую систему питания матплаты и с учетом стрессовой нагрузки авторазгон процессора сработал на уровне 5,3 – 5,5 ГГц по ядрам. Его максимальный нагрев был ниже 74 градусов, а максимум потребления не превышал 183 Вт. При этом стоит отметить, что во всех этих испытаниях мы не получили никаких нареканий на работу сопутствующих блоков, никаких перегревов или странных явлений не было.

    Стоит снова повторить, что многое в авторазгоне зависит от системы питания. Все ШИМ-контроллеры программируемые, вся информация о них – в UEFI BIOS, откуда и приходят режимы работы CPU в том или ином случае. Разумеется, данная матплата уже поддерживает новый режим работы Turbo Mode X3D, этот режим работает только на процессорах 9xxx X3D и связан с отсечением рабочих ядер без дополнительного кеша, чтобы оставшиеся ядра смогли работать на более высоких частотах, поднимая тем самым общую игровую производительность в разрешениях, где нет упора в видеокарты. Для нужд тестлаба по материнским платам мы не имеем таких процессоров, поэтому на практике проверить не можем.

    Выводы

    MSI MAG B850 Tomahawk WiFi — относительно недорогая (до 25 тысяч рублей) игровая материнская плата на чипсете среднего уровня для платформы AMD AM5. Для платы заявлены повышенные надежность и стабильность работы, она имеет 8 слоев с повышенным содержанием меди (экранирование серверного класса).

    У нее 17 портов USB разных видов, включая 1 USB3.2 Gen2×2 (в виде порта Type-C на задней панели), 4 USB 3.2 Gen2 (в виде портов Type-A и Type-C) и 4 USB 3.2 Gen1 (внутренние и Type-A). Также плата предлагает слот PCIe х16, получающий от процессора 16 линий PCIe 5.0, также «длинный» слот PCIe x16 с четырьмя линиями PCIe 4.0, и один слот PCIe x1 (PCIe 3.0). Оба последних слота подключенны к чипсету. Делений ресурсов между портами и слотами у платы нет.

    В арсенале платы также есть 4 порта SATA и 8 разъемов для вентиляторов. Система питания процессора хорошая, способная обеспечить работу даже топовых процессоров с разблокированным множителем с приличным запасом на разгон (имеется внешний тактовый генератор). Плата имеет адекватную систему охлаждения, все слоты M.2 снабжены радиаторами. Сетевые возможности включают скоростной проводной контроллер 5 Гбит/с и один современный беспроводной — Wi-Fi 7 + Bluetooth 5.4. В числе плюсов платы можно упомянуть возможности для подключения дополнительных RGB-устройств.